概述
GD-3151DP/GP 远传法兰式压力差压/变送器远传压力变送器用于防止管道中的介质直接进入变送器里,感压膜片与变送器之间靠注满流体的毛细管连接起来。它用于测量流体、气体或蒸汽的液位、流量和有压力,如饭后将其转变成4~20mADC信号输出。INKO-3051DP/GP压力变送器带上远传密封装置后就成为INKO-3051远传压力变送器,它具有INKO-3051GP压力变送器特点,可以用来进行压力、液位的测量它可与HART手操器相互通讯通过它进行设定监控。
GD-3151DP/GP远传法兰式压力变送器适用于下述几种测控情况:
- 被测介质对变送器敏感元件有腐蚀作用;
- 需要将高温被测介质与变送器隔离;
- 被测介质中有固体悬浮物或高粘度介质;
- 被测介质由引压管引同时易固化或结晶;
- 更换被测介质需严格净化测量头;
- 测量头必须保持卫生,严禁污染。
- 使用对象:腐蚀性或粘性的液体。
GD-3151DP/GP远传压力变送器远传装置形式有四种:
1、1191PFW扁平式远传装置;
2、1191RTW型螺纹安装式远传装置;
3、1191RFW型法兰安装式远传装置;
4、1191EFW型插入筒式远传装置。
应用场合
广泛应用于具有极端化学和机械负载的工业领域以及高电磁辐射场合。
性能参数
测量性能:用于压力、差压、液位、流量测量
精度:±0.075%FS
全性能:±0.25%FS
稳定性:0.25%/年
量程比:100:1
测量速率:0.2s
过程连接与其它产品兼容,实现最佳测量标准4-20mA,带有基于HART协议的数字信号,远程操控,支持向现场总线与基于现场控制的技术的升级。
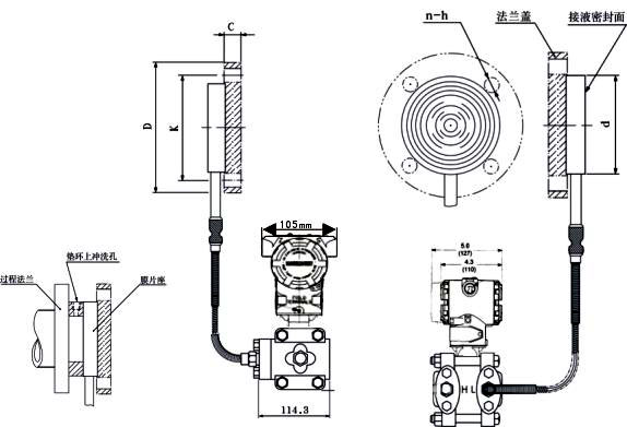
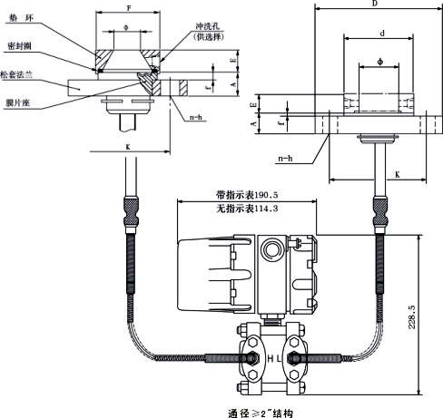
尺寸示意图

单法兰远传变送器

单法兰远传变送器